The
74HC00
74HC00
RENESAS
74HC00 ST SOP
In Stock: 6124 pcs
, wotchuka wa banja la zigawenga, limagwirizanitsa zipata zinayi ndi zipata chimodzi, chinsalu cholumikizira-chipata chogwirizana ndi kuthamanga kwa LS-TTL.Kuphatikiza uku kwa liwiro ndi kuchita bwino, ophatikizidwa ndi kuthekera kwake kuyendetsa katundu wa LS-TTL ndi kuwongolera kwa ma entimita 74hMutha kuyamikira zotulutsa zake zowonjezera za chipikisano ndi kusagwirizana kwake ndi mafakitale angapo - zofanana, ndikupangitsa kukhala mwala wapamwamba popanga makina opanga bwino komanso okhazikika.
Kataloji
A 74hc00Kuphatikiza zipata zinayi n ndi zipata zinayi, kumadziwika chifukwa cholumikizidwa ndi banja lake la LS-TTL.
Kugwiritsa ntchito Silicon - Tech Technology, kumakwaniritsa kuthamanga kwa ntchito yomwe agwirira ntchito ku LS-TTL kwinaku akumayang'anitsitsa kugwiritsa ntchito mphamvu zochepa.Kulingalira uku kumakupatsani mwayi wothamanga komanso kuthamanga, kulima mapangidwe omwe amasinthana ndi nzeru.Zotsatira zotuluka zimathandizira chitetezo cha phokoso, chifukwa chomwe chimathandizira kusunthika ngakhale pakutsutsa malo achizindikiro.
Mphamvu yake yoyendetsa katundu mpaka ma LS-TTL imapangitsa kuti ikhale yoyenera kwa machitidwe omwe zopanga zizindikiritso zimafunidwa.
Okonzeka ndi kuwongolera kwamkati, kumachepetsa zoopsa zomwe zimakhudzana ndi zotulutsa zamagetsi.Izi zikugogomezera gawo lake pakutulutsa nyali zokhazikika, mochenjera mochenjera kufunafuna kudalirika kwa nthawi yayitali.
M'malo ndi equivilents:
•
CD4011
CD4011
I-CORE
701
In Stock: 25220 pcs
• mc54hc00ajd
• MS4HC00M1
• Sn54ls00
• Sn74hct00dte4
• 74Hct132D
• 74hct00

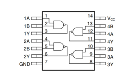
• Zikhomo 1, 2, 4, 9, 10, 10, 13, 13: Zolowetsa za Data
Zikhomo izi zimapangidwa kuti zivomereze zolemba zogwirizira zomwe zimatsogolera ntchito za n ndi zipamba zamkati mwa chip.Kuonetsetsa kuti zolowazo ndi zaulere pamachitidwe osokoneza bongo odalirika, akuwonetsa kuti amalamulira ndi kuneneratu.
• Zikhomo 3, 6, 8, 11: Zotuluka
Kuchita ngati zotulukapo, zikhomo izi zimapereka zotsatira za kuphatikiza pachipata cha NANA.Amatha kugwiritsidwa ntchito mu zojambula zolimbitsa digito, kuluka limodzi njira zovuta.Mabwalo angapo akalumikizidwa ndi kutulutsa kamodzi, kuyika zotsatira zomwe zimapangitsa kuti zikhale bwino pamayendedwe ofunikira mu maubale.
• Pin 7: pansi (Gnd)
Pini iyi imalumikizana ndi dongosololi kuti ipereke malo osokoneza mapiri.Kukhazikitsa kulumikizana kokhazikika chotere ndi kufunafuna zachilengedwe komanso kumveketsa bwino, kuchepetsa zosokoneza.
• Pin 14: vcc)
Kudyetsa magetsi olondola kudzera pini iyi amathandizira ntchito ya chipangizocho.Pomwe mukukhalabe mkati mwa mitundu yomwe yatchulidwa imathandizira kukhala ndi moyo wabwino komanso kugwira ntchito, kuyika ma carpornal oyandikira kumatha kukhazikika pamapazi amphamvu atha kukhazikika pa ntchitoyi, njira zowongolera mipata yoyang'anira zovuta za moyo.
The
74HC00
74HC00
RENESAS
74HC00 ST SOP
In Stock: 6124 pcs
idapangidwa ndi zipata zinayi zokha zomwe zimayang'ana pa mphamvu yamphamvu, ndikukopetsani ndi ntchito yake yodalirika mu mabwalo digito.Katemera wake wosangalatsa amathandizira kuti azigwiritsa ntchito malo okhazikika, omwe ambiri amapeza osangalatsa pazosintha zomwe zingayambike.Kupezeka mu divi ndi mafomu a sodi, kumakumana ndi zofuna za kapangidwe kake ndikupereka njira zosinthira za PCB.
Kusinthidwa kwa 74hc00 kumapangitsa kuti ikhale yokwanira kuti ikhale yopanda chipata ndi zinthu zovuta.Mutha kuyang'ana kuwongolera koyendetsa bwino / kutulutsa koyendetsa bwino
Kutha kwake kugwira ntchito mosiyanasiyana kumapangitsa 74HC00 yotchuka mu maphunziro ndi prototeype chitukuko.Kumasuka komwe kumapangitsa kuti vutoli lichulukitse kuti mufufuze kuti mufufuze zatsopano popanda kudzipereka.
Kuchulukitsa
Zida za Texas zakhala ndi mbiri yodzipereka kuti ipangitse zodalirika komanso zopumira za semiconductor.Ndi chidwi chawo chosasunthika pa kukhazikika komanso kugwira ntchito kwambiri, zida za ma Texas zimapezeka pamtima pa ntchito zambiri, kuwonetsa udindo wawo pantchito zamagetsi zamagetsi.
Miyeso yakuthupi
Kuyesa 8.65mm x 3.91mm x 1.58mm,
74HC00
74HC00
RENESAS
74HC00 ST SOP
In Stock: 6124 pcs
imadzitamandira kapangidwe kake kambiri.Mitundu iyi yophweka imagwirira ntchito mosiyanasiyana m'magawo osiyanasiyana ozungulira, kumakupatsani mwayi wopanga malo ochepa osasokoneza luso lodabwitsa la chipangizocho.
Magetsi
Spani ya magetsi kuchokera pa 2V mpaka 6V, akusinthasintha kusinthaku posankha magwero ndikuwonetsetsa kuti azigwirizana ndi zigawo zingapo za digito.Magetsi awa amathandizira mapulogalamu ena, kupangitsa kuti 74HC00 isinthane ndi kusintha kwa zinthu zachilengedwe.
Kutentha ndi zochitika zachilengedwe
Kugwira ntchito moyenera pakati -40 ° C ndi 85 ° C, chipangizocho chimapangidwa kuti chizitha kutentha kwambiri munthawi zosiyanasiyana mafakitale.Kukana kwake kutentha kumapangitsa kuti ikhale chisankho chosankha cha mafakitale ndi mafakitale, pomwe kusiyanasiyana kwachilengedwe kumaperekedwa.
Zitsulo Zogwirira Ntchito
Kupereka kufalitsa kwa ma nanoseconds, ma 74hc00 opambana pakuchita bwino oyenera kugwira ntchito kwambiri.Kuchita izi ndi kopindulitsa pakugwiritsa ntchito monga kuwongolera kwa digitani, pomwe kusinthana kwa zinthu ndi kofunikira.
Kapangidwe kake
Chipangizochi chimaphatikizapo zipata 4, chifukwa cha ntchito zopatsa chidwi, zomwe zimapereka magwiridwe antchito amtundu wankhani.Kusintha kumeneku kumatsimikizira zabwino zomwe zimafunikira kuti aphedwe bwino, kuonetsetsa mwachangu komanso odalirika pokonza mkati mwa machitidwe.
Kupatula
Kugwira ntchito ngati chipata chomveka, 74hc00 imakhala chinthu chachikulu mu chilengedwe cha digito.Mutha kugwiritsa ntchito zinthuzi kuti apange njira zovuta zama digito, motero amalimbikitsa mphamvu yophatikiza komanso kulimbikitsa mphamvu zosiyanasiyana njira zina.
74HC00
74HC00
RENESAS
74HC00 ST SOP
In Stock: 6124 pcs
imaphatikizana ndi zipata zinayi zapadera, zilizonse zokhudzana ndi ziwiri zomwe zimayambitsa kutulutsa kamodzi.Opaleshoni imatengera tebulo lowona.Makamaka, zotulukapo zotuluka zotsika pokhapokha ngati zolowazo zimakhala zapamwamba.Kupanda kutero, kutulutsa koyambirira - chinthu choyambirira mu kapangidwe ka digito, kumachita ngati chinthu china cholumikizira madera osokoneza bongo.
Kuyankha bwino mopusitsa kumathandizira kukhazikika pa zipata.Chipata chilichonse chikathandizanso zoikamo, mayankho amathandizira kulimbitsa thupi lokhazikika, kulimbikitsa ntchito mosasunthika.Kufananaku kumafikiridwa mwa kugwirizanitsa zokambirana za chipata ndi mfundo zomwe zimayambitsa.Mutha kuthana ndi mbali iyi kuti ipangitse mabwalo odera nkhawa, imavumbula gawo la zolosera zotsimikizika.
Kugwira zobisika za Mphamvu zamagetsi mkati mwa zipata zamkati kumapangitsa kuthekera kwa masitepe ophatikizika.Ntchito zodziwika bwino zimaphatikizapo kupanga ma flip-flups ndi ntchito zothandizira zomveka monga, kapena, osati kugwira ntchito.Izi zikugogomezera kutengera kwake kukhazikitsidwa kwawo pamitundu yofananira, kuchokera pamitundu yowongoka yomwe imapangidwa ndi zinthu zakale zokhala ndi maluso.
Kuganizira zofunikira za 74hc00, ntchito yake yodalirika imapeza kufunikira kwa minda yamagetsi ku mafakitale.Mphamvu yokonza zipata izi mu mavamero omveka bwino amapereka ufulu waukulu kwambiri wopanga ufulu, wolimbikitsa nzeru.Mfundo zazikuluzikulu za nites zimauziridwa zothetsera zovuta za ukadaulo wapadera.
The
74HC00
74HC00
RENESAS
74HC00 ST SOP
In Stock: 6124 pcs
ndi chipata cholowera ndi chipata chopangidwa ndi chinsinsi chambiri.Imakhala yophatikizana ndi njira yosinthira komanso yamasulidwe.
Mawonekedwe
• Imagwira ntchito pamagetsi ambiri
• Imawonetsa kuchepa kwaulere
• Kuyenera kuchita masewera olimbitsa thupi kwambiri komanso otsika kwambiri
Magetsi
• Magetsi ndi apano: izi zimagwira gawo lalikulu kwambiri la magetsi a magetsi, okhala ndi zosowa zosiyanasiyana.
• Kutentha: kumachita modalirika kudutsa matenthedwe osiyanasiyana, kulola kusinthasintha kwa nyengo yosiyanasiyana.
Mapulogalamu
• Kugwiritsa ntchito kwakukulu: Chigawo chosiyanasiyana, chimapeza malo mu zigawo za digito wamba, kukwaniritsa zosowa kuyambira ntchito za tsiku ndi tsiku kuntchito zovuta ndi chisomo.
• Kukhazikitsa mwachindunji: Kuchokera pamagetsi amagetsi ku mafakitale, ma 74hc00 amaphatikizira osagonjera, kuwonetsa zofunikira zake pakugwiritsa ntchito iliyonse.
The
74HC00
74HC00
RENESAS
74HC00 ST SOP
In Stock: 6124 pcs
imawonetsa kusinthika kodabwitsa, nthawi zambiri kupezeka pamitundu yamagetsi pazikomo kwambiri.
Kuyendetsa ndi kuyendetsa
Ntchito ya 74hc00 ya mtima ngati buffer kapena driver, kulimbikitsa kulumikizana kosasanjika.Pochepetsa magetsi madontho ndi kuchepetsera kuchepa kwa chizindikiro, kumatsimikizira kulumikizana mosasinthika pakati pa zigawo zikuluzikulu.M'manja-pamagetsi, kugwiritsa ntchito 74hc00 ngati buffer ngati buffer kuthengo kwa microcorther kuti ayambitse madontho angapo kapena ma module ogwirizana, omwe amapezeka pafupipafupi mu projekiti ya DIY.
Ntchito Zosintha
Chip ichi chimathandizira ntchito zothandiza, monga n ndi zipata, ndikupanga maziko a machitidwe am'misimu.Kuphatikizidwa kwake kopanda malire m'magawo osiyanasiyana kumatsindika.Mu kapangidwe ka digita, zokuza ndi zipamba zimakulimbikitsani kuti mupange mabwalo olakwika okhala ndi zigawo zochepa, zimathandizira kuperewera komanso kuphatikiza.
Kuphatikizika kwa Makina
Mwa njira zophatikizira, ma enfinings 74hc00 amagwira ntchito popereka zojambula zamalonda pazoyambira.
Zipangizo zambiri zowerengeka za iot zimagwiritsa ntchito chip kuti zitheke macheke a macheke ndikuwongolera zida zotumphukira, kulimbikitsa dongosolo la dongosolo komanso kudalira.
Kusinthitsa
74HC00 imagwira ntchito mogwira mtima mosinthana, kusintha milingo yosiyanasiyana pakati pankhani yosiyanasiyana.Izi zimathandizira kusamala kwazinthu zina ndi magetsi osiyanasiyana.M'malo ophatikizika, magetsi, monga kulumikiza sensocroserler kupita ku sensor ya 51, yovuta kugawidwa, poyambitsa kugawana mwatsatanetsatane.
Mabwalo ndi madera
Chip chimakhalanso pamayendedwe ogwiritsira ntchito nthawi ndi chowongolera, pothandizira mgwirizano woyenera wazinthu zotsatizana, zomwe zimapangitsa kugwiritsa ntchito ngati kuchedwetsa miyambo ndi mibadwo.Kuyeza madera omwe ali ndi zaka 74hc00 kumawonjezeranso njira yolumikizirana monga njira zolumikizirana, kuteteza kukhulupirika kwa deta poyendetsa.
Woyerekeza digital kuti muyerekeze
Ntchito za 74hc00 ngati woyerekeza digitale wa mafano amafanizo, abwino kupanga chisankho mkati mwa ma fetelo.Imazindikira kufanana kapena kusiyanasiyana pakati pa manambala a biriry.Kugwiritsa Ntchito Ma 74hc00 Kuyerekeza kwa Binary kumapereka njira yabwino yogwiritsira ntchito zigamulo zamitundu yosiyanasiyana.
74Hc00 Dataseheet:
74C00 Tsatirani PDF74C00 Tsatirani PDF ya Fr.PDF74C00 Tsatirani PDF pa Kr.pdf74C00 Tsatirani PDF pa IT.PDF74HC00 Tsatirani PDF ya ES.PDF
1. Kodi magwiridwe antchito a 74hc00 ndi ati?
The 74hc00 imaphatikizidwa ndi zipata zinayi zokha, zogwirira ntchito mkati mwa 2.0V mpaka 6.0V.Kutumizira Mapulogalamu a Digical digito, kumapangitsa mapangidwe a zinthu zomveka, zomwe zimapanga msana wa akatswiri opanga digito.
2. Kodi ma 74ls amatenga zipata zingati?
74ls00 imakhala ndi zipata zinayi zamkati, chilichonse chopangidwa ndi zodzipangira ziwiri ndi zotulutsa chimodzi.Kusintha kumeneku ndi chisankho chodziwika bwino mukamakula mu zamagetsi zamagetsi.
3. Kodi chimasiyanitsa chiani 74hc00 kuchokera pa 74ls00?
Kusiyana kwakukulu ndiko kusinthasintha kwawo kwa mphamvu.Ntchito ya 74hc00 mkati mwa 2V mpaka 6V osiyanasiyana, pomwe 74ls00 imakakamizidwa kupita ku magetsi 5v.Kusankhidwa nthawi zambiri kumadalira kusiyanasiyana kwa ntchito zofunikira ndi zachilengedwe.
4. Kodi mungafotokoze mndandanda wa 74hc?
Gawo la 74hc limakhala ndi ma CMO othamangaKugwirizana kwawo ndi zikwama za 74,,,,,,,,,,,,,,,,,
5. Kodi mapulogalamu a 74HC00 ndi ati?
M'mabwalo a digito, 74hc00 ndiofotokoza kuti ndi zipata za Nndimba zimafunikira kuti zisaoneke pazizindikiro ndi kuwononga zinthu zovuta.Kusintha kwake kumapangitsa kuti ikhale yofunika kwambiri mu maphunziro ndi akatswiri amagetsi pamagetsi.
Gawani izi